
| Product Type: | Best-Selling 隐藏 |
| Product price: | $280.67 |
| Contact number: | 0086-135 8118 0002 |
| Contact email: | cbbearing@hotmail.com |
| Contact address: | Yandian industiral park, linqing city, shandong province ,china |
The 6320-J20AA-C3 FAG is an electrically insulated deep groove ball bearing. A special coating on the outer ring (J20AA) protects against bearing damage and eventual failure due to the passage of electric current.
Electrically insulated bearings are marketed by FAG with the suffix J20. The J20AA indicates the addition of an aluminum oxide coating on the outer ring to withstand voltages up to 3.000 V DC.
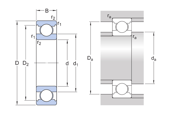
Specs 6320-J20AA-C3 FAG
The 6320-J20AA-C3 FAG can be seen as an upgrade for the standard non-insulated 6320-C3 ball bearing with a protection against electric current passage. The specifications are therefore identical to the 6320-C3 deep groove ball bearing.
The 6320-J20AA-C3 FAG has an inner dimension or bore (d) of 100mm, an outer dimension (D) of 215mm and a width or thickness (B) of 47mm. The 6320-J20AA-C3 FAG is open on both sides (it has no seals), has a steel cage and an internal play greater than Normal (C3). FAG current-insulating bearings with a basic coated outer ring, like the 6320-J20AA-C3 FAG can withstand voltages up to 3.000 volt. The weight of the 6320-J20AA-C3 FAG is 7,456 kg.
Suffix explanation 6320-J20AA-C3 FAG
S: Steel Cage, Ball Centered.
J20AA: External surfaces of the outer ring coated with aluminum oxide. The coating is sealed with a resin to protect against the conductive effects of water and moisture. This basic coating can withstand voltages up to 3.000 V DC.
C3: Internal clearance greater than Normal. The extra internal clearance allows expansion due to high speeds or temperatures.
